8 (8332) 41-87-88
Заказать обратный звонок
Меню
Бассейны
Переливные бассейны
Скиммерные бассейны
Инфинити
Композитные бассейны
Бетонные бассейны
Частные бассейны
Общественные бассейны
Бассейны для СПА
Детские бассейны
Оборудование для бассейнов
Композитные чаши для бассейнов
Основное оборудование для бассейнов
Химия для бассейнов
Переливная решетка
Resort & SPA
Сауны
Турецкие бани (хамам)
Услуги
Проектирование бассейнов
Обслуживание бассейнов
Вентиляция для бассейнов
Производство переливной решетки
Наши работы
Блог
Контакты
8 (8332) 41-87-88
aquasvd@mail.ru
Оставить заявку
Отправить
Нажимая на кнопку "Отправить" вы соглашаетесь с
политикой конфиденциальности
Главная
Оборудование для бассейнов
/
Основное оборудование для бассейнов
/
Донные сливы
/
Донные сливы Акватехника с патрубком, квадратные
Описание
Донный слив (скиммер) — заборник воды из донной части бассейна. Является частью системы водоподготовки бассейна и необходим для его опорожнения.
Все конструкции сделаны из зеркально отполированной нержавеющей стали.
Подробнее
Запросить цену
Схема монтажа
АТ-04-05, АТ-04-06, АТ-04-07
АТ-04-08
Комплектация
АТ-04-05, АТ-04-06
Винт М 6 (шестигр. 4мм) — 8 шт.
Прижимной фланец — 1 шт.
Перфорированный элемент — 1 шт.
Уплотнительное кольцо — 2 шт.
Корпус скиммера — 1 шт.
Комплектация
АТ-04-07
Винт М 6 (шестигр. 4мм) — 4 шт.
Перфорированный элемент — 1 шт.
Уплотнительное кольцо — 2 шт.
Корпус скиммера — 1 шт.
Комплектация
АТ-04-08
Винт М 6 (шестигр. 4мм) — 12 шт.
Прижимной фланец с перфорированным элементом— 1 шт.
Перфорированный элемент — 1 шт.
Уплотнительное кольцо — 2 шт.
Корпус скиммера — 1 шт.
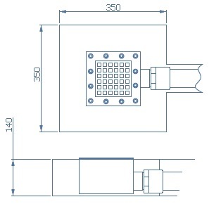
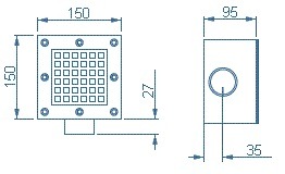
Габариты
АТ-04-05
АТ-04-06, АТ-04-07
АТ-04-08