Оборудование для бассейнов
/
/
Донные сливы
/

Донные сливы Акватехника с патрубком, круглые

Описание

Донный слив (скиммер) — заборник воды из донной части бассейна. Является частью системы водоподготовки бассейна и необходим для его опорожнения. Все конструкции сделаны из зеркально отполированной нержавеющей стали.

Расход воды может регулироваться изменением ширины щели под крышкой донника. В отличии от донников с перфорированным верхом разрешен для применения в детских бассейнах.

АТ-04-01

Габариты и комплектация

  1. Винт М6 (шестигр. 4мм) — 6 шт.
  2. Прижимной фланец — 1 шт.
  3. Перфорированный элемент — 1 шт.
  4. Уплотнительное кольцо — 2 шт.
  5. Корпус скиммера — 1 шт.

Схема установки

АТ-04-02

Габариты и комплектация

  1. Винт М 6 (шестигр. 4мм) — 1 шт.
  2. Крышка полированная — 1 шт.
  3. Прижимной фланец — 1 шт.
  4. Уплотнительное кольцо — 2 шт.
  5. Корпус скиммера — 1 шт.
  6. Болт М 6 — 6 шт.

Схема установки

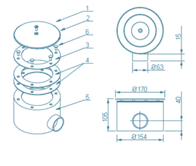
АТ-04-03

Габариты и комплектация

  1. Винт М 6 (шестигр. 4мм) — 12 шт.
  2. Прижимной фланец — 1 шт.
  3. Перфорированный элемент — 1 шт.
  4. Уплотнительное кольцо — 2 шт.
  5. Корпус скиммера — 1 шт.

Схема установки

АТ-04-04

Габариты и комплектация

  1. Винт М 6 (шестигр. 4мм) — 12 шт.
  2. Прижимной фланец — 1 шт.
  3. Перфорированный элемент — 1 шт.
  4. Уплотнительное кольцо — 2 шт.
  5. Корпус скиммера — 1 шт.

Схема установки

АТ-04-09

Габариты и комплектация

  1. Винт М6 — 3 шт.
  2. Перфорированный элемент — 1 шт.
  3. Уплотнительное кольцо — 2 шт.
  4. Корпус скиммера — 1 шт.

Схема установки

АТ-04-10

Габариты и комплектация

  1. Винт М6 (шестингр. 4мм) — 3 шт.
  2. Прижимной фланец — 1 шт.
  3. Перфорированный элемент — 1 шт.
  4. Уплотнительное кольцо — 2 шт.
  5. Корпус скиммера — 1 шт.

АТ-04-11

Комплектация

  1. Винт М6 (шестингр. 4мм) — 3 шт.
  2. Прижимной фланец — 1 шт.
  3. Перфорированный элемент — 1 шт.
  4. Уплотнительное кольцо — 2 шт.
  5. Корпус скиммера — 1 шт.